Вложений: 3
Обход фильтров в усилителе SONY XM-4045
Разжился таким старичком на СЧ/ВЧ. Рассмотрев схему, стало понятно, что такая куча операционников там не нужна. Фильтр хоть и отключаемый, но режима Direct не наблюдается. Да и предусилитель дкмается лишний, при современном уровне на линейках магнитол.
Что хотелось бы:
1 Осуществить подачу звукового сигнала напрямую к оконечному усилителю минуя фильтр и преамп.
2 Решить вопрос с согласованием "усилитель-источник сигнала", установив (если нужно) переменный резистор.
3 Сохранить возможность вернутся в стоковый вид (при возможности).
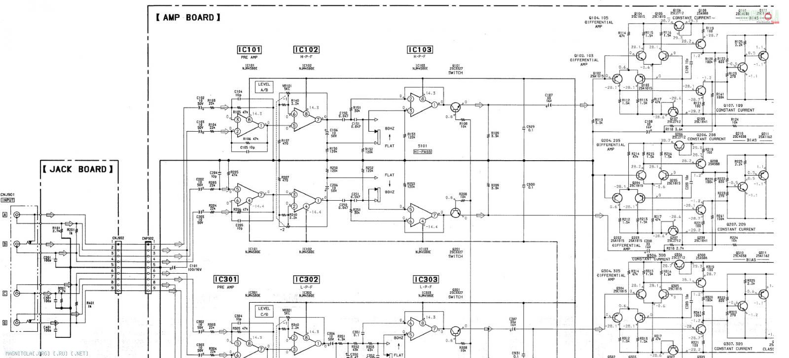
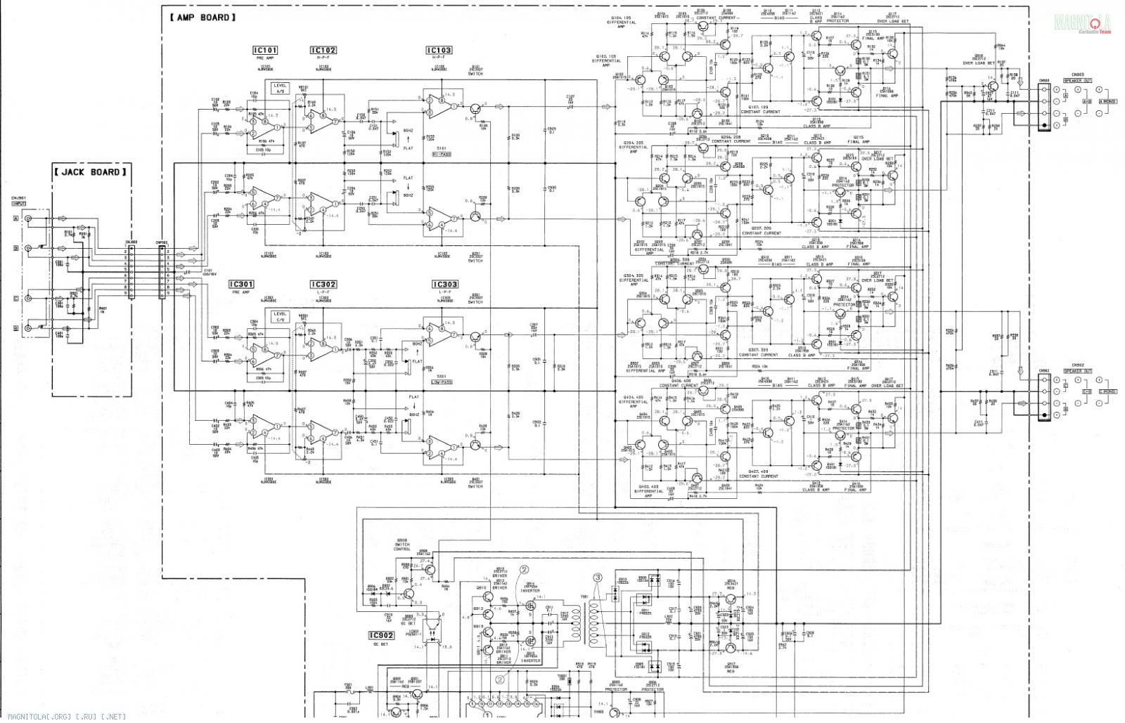
Благо, сервис мануал доступен, по сему есть схема.
Опыта в таких делах мало :pardon: , по сему надеюсь победить Японца силами коллективного разума. :popivu:
Вложение 828754Вложение 828752http://magnitola.org/attachment/1/6/6/9/3/712278.thumb
Вложений: 1
Re: Обход фильтров в усилителе SONY XM-4045
Самое простое видится так:
Остоединяем разъём от платы с RCA , пробросив только перемычку между контактами №5, соединяем сигнальные контакты 1 и 3 как на схеме Вариант 1, перерезав дорожки в указанных местах (сигнальную и питание ОУ +-15В).
Подчеркнутые конденсаторы 33мкФ 16В исключаем, или заменить на что-то приличное (пленка или электролит)?
Вложение 828756
Re: Обход фильтров в усилителе SONY XM-4045
Ну да.И собираем все возможные помехи по входам.
Про развязку по земле подумай.
Re: Обход фильтров в усилителе SONY XM-4045
Цитата:
Сообщение от
Флекс 71**
Ну да.И собираем все возможные помехи по входам.
Про развязку по земле подумай.
+1, ага и плюс к этому весёлые пуки при включении и выключении......
Re: Обход фильтров в усилителе SONY XM-4045
Возле входных разъёмов земля подключена через емкости и резисторы. Это не оно?
Тогда наверное и 5 контакт разъёма не нужно соединять?
Re: Обход фильтров в усилителе SONY XM-4045
Цитата:
Сообщение от
dyno
Это не оно?
Нет,ни оно.Сигнальная земля собрана на дифвходе первого операционника.Его по любому придётся оставлять.
Re: Обход фильтров в усилителе SONY XM-4045
Цитата:
Сообщение от
Флекс 71**
Нет,ни оно.Сигнальная земля собрана на дифвходе первого операционника.Его по любому придётся оставлять.
Блин, это конечно плохо...
Получается тогда задача - минимум выкинуть третий операционник, отвечающий за отключаемый фильтр? По возможности, заменив оставшихся два чем-то приличным.
Re: Обход фильтров в усилителе SONY XM-4045
Цитата:
Сообщение от
dyno
выкинуть третий операционник,
Как раз третий не выкинешь,на него глушилки завязаны.Выкимнуть можно второй,но толка от этого не будет или его не услышишь))).
Но есть вариант,ламповые предусилители от A!exT .В них развязка по земле есть,но по цене такой твик вылезет раза в четыре-пять дороже остаточной стоимости данного уся.
ЗЫ-а ключи mute всё равно придётся пристраивать ))).
Вложений: 1
Re: Обход фильтров в усилителе SONY XM-4045
Вот же ж...
Видимо таки придётся оставить сток, заменив что можно по проходу сигнала.
Емкости на Silmic II, резисторы вроде оставались Дали где-то.
Re: Обход фильтров в усилителе SONY XM-4045
Цитата:
Сообщение от
dyno
Видимо таки придётся оставить сток, заменив что можно по проходу сигнала.
Заодно проверь на практике толк от данной замены есть или нет?
Для начала поменяй в одном канале и отслушай вслепую,есть ли разница.