Re: Challenger ERGO II ER-90.4, кто он и что он......?
Вопрос ой как не праздный.
Вспоминаю лет эдак 15 назад на буквально каждом усилителе быдло аршинными буквами написано MOSFET и далее меленько Power stage. А лет двадцать назад на видеомагнитофонах DIGITAL Tracking зызызы Бузинес, понимаишь...
22.01.2016, 04:44
WENQ
Re: Challenger ERGO II ER-90.4, кто он и что он......?
Цитата:
Сообщение от Mакс
Позвольте вопрос. Как Вы охарактеризуете звук данного усилка? Подавляющее большинство усей сделаны на биполярных выходниках, а этот на полевых, по любому он отличается своей характерностью, расскажите об этом.
Дождёмся !!! хотя наверно сюрпризов быть не должно irf предсказуемы но здесь и драйвер мос, большой + что есть возможность поставить то-3 и здесь появляются вкусные варианты.
22.01.2016, 09:57
FFZ
Re: Challenger ERGO II ER-90.4, кто он и что он......?
Цитата:
Сообщение от nomemory
Вопрос ой как не праздный.
Вспоминаю лет эдак 15 назад на буквально каждом усилителе быдло аршинными буквами написано MOSFET и далее меленько Power stage. А лет двадцать назад на видеомагнитофонах DIGITAL Tracking зызызы Бузинес, понимаишь...
Честно говоря не понял контекста и сути :(......
Тут про то, что сплошь и раньше было и сейчас есть когда на коробках гордо писали магическое ))) Mosfeet для рекламы и недалёких покупателей разводили, т.к. это слово не имело ни какого отношения непосредственно к тракту усиления, но тем не менее они, они даже не догадываясь об этом впадали в состояние транса от счастья приобретения :).
Мне кажется :), что я достаточно подробно и однозначно описал девайс включая каскады УМ, из чего понятно, что каскады УМ по части выходных каскадов действительно построены на полевых транзисторах.
Т.ч. сорри если смысл твоего поста в другом, а я его не понял.
---------- Сообщение добавлено 22.01.2016 в 10:00 ----------
Цитата:
Сообщение от WENQ
Дождёмся !!! хотя наверно сюрпризов быть не должно irf предсказуемы но здесь и драйвер мос, большой + что есть возможность поставить то-3 и здесь появляются вкусные варианты.
видно класс по внимательности оценки фото! респект!
совершенно верно, даже прилаживать ни чего не потребуется, всё на плате по разводке уже приготовлено :).
22.01.2016, 16:35
WENQ
Вложений: 1
Re: Challenger ERGO II ER-90.4, кто он и что он......?
Разглядывая фото , где то что то вроде этого по пред. части Вложение 933304 не так ли?
22.01.2016, 23:12
FFZ
Re: Challenger ERGO II ER-90.4, кто он и что он......?
Цитата:
Сообщение от WENQ
Разглядывая фото , где то что то вроде этого по пред. части Вложение 933304 не так ли?
да, по моим прикидам тоже, как то так и есть, т.е. структура/идеология именно такая, а далее вместо биполяра сплошь на полевиках.
23.01.2016, 09:47
mohov_a
Re: Challenger ERGO II ER-90.4, кто он и что он......?
Цитата:
Сообщение от FFZ
да, по моим прикидам тоже, как то так и есть, т.е. структура/идеология именно такая, а далее вместо биполяра сплошь на полевиках.
Дядь Фёдор Объясните парой простых фраз мне не образованному в электронной начинке и схемотехнике колхлзнику это хорошо, очень хорошо или плохо?
зы дети подрастут пойду в техникум матчасть подтяну В-)
23.01.2016, 19:16
gena60
Re: Challenger ERGO II ER-90.4, кто он и что он......?
Цитата:
Сообщение от mohov_a
Объясните парой простых фраз мне не образованному в электронной начинке и схемотехнике колхлзнику это хорошо, очень хорошо или плохо?
Это хорошо,если понимать отличие биполярных транзисторов от полевых:
Re: Challenger ERGO II ER-90.4, кто он и что он......?
Цитата:
Сообщение от mohov_a
Дядь Фёдор Объясните парой простых фраз мне не образованному в электронной начинке и схемотехнике колхознику это хорошо, очень хорошо или плохо?....
Ну парой фраз при всём желании вряд ли получится, но попробую :).
Биполярные транзисторы и полевые транзисторы это принципиально разные транзисторы имеющие разные принцип работы, и их важнейшие характеристики тоже как следствие различные. И как следствие применение их в выходном тракте вносит свои характерные черты в общее звучание.
Ну чтоб уж совсем на примитивном уровне стало понятно, что биполярные и полевые транзисторы это очень разные транзисторы сформулирую вот так :
полевые транзисторы по своей сути как бы твердотельные аналоги электронных ламп и это характеризуется очень сходной системой их основополагающих параметров. Форум наш, да и тема не про основы электроники, т.ч. если кому вдруг станет интересно разобраться досконально то вектор надеюсь я дал:).
Итого из всего этого это то, что ставить вопрос кто лучше или хуже, просто нельзя, но тем не менее спасибо за вопрос, т.к. на его основе мы логично выходим на вопрос звучания Challenger ERGO II ER-90.4 :).
Сначала вернёмся к вопросу полевых транзисторов в выходных каскадах у автомобильных усилителей.
Так или иначе, но массовая доля автомобильных усилителей в которых в выходных каскадах применялись полевые транзисторы, очень маленькая.
В принципе пальцев одной руки достаточно, чтоб перечислить известные многим, т.е. на слуху в народе, усилители, которые имеют внутри себя полевики на выходе каскадов УМ. В усилителях Бостон серии GT выход на полевиках, в усилителях АудиоСистем серии Твистер тоже полевики на выходе, в усилителях Москони как только они появились тоже с полевиками на выходе, классика жанра :) и тоже из старых, усилители от Стег и Итон на полевиках в выхлопе, Рокфорды старые тоже имели выход на полевиках. Как видим не много :), всего остального значительно больше.
Тут следует отметить один момент, касаемо применяемой схемотехнике каскадов УМ в этих усилителях, т.к. это занятно, важно и интересно в ключе характеризовывания общего, т.е. характерного звучания подобных усилителей. Конечно же есть в этом вопросе от бренда к бренду нюансы, но то, что основа схемотехники каскадов УМ которую они применяли, у всех, только за Рокфорд не уверен, одна и та же.
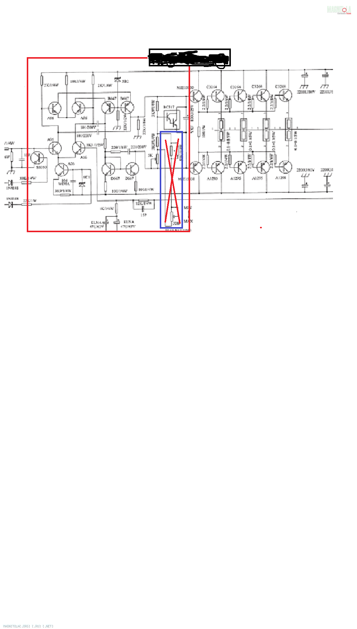
И схемотехника эта принципиальна отлична от той, рисунок которой привёл WENQ в этой теме, в посту №64, вот эту Вложение 934518
, за что ещё раз ему спасибо.
Итак, т.к. информации на форумах в том числе и нашем по этим девайсам очень много, то если есть желание, можно поискать, почитать и сделать суммарный собственный вывод о их звучании......
От себя, я в различных темах и очень часто в тех или иных случаях неоднократно рекомендовал эту группу усилителей особенно когда речь о мидах.
Тогда, когда вопрос в обсуждении вариантов усилительной части как итого ставился вопрос акцента на панч, драйв, точность, некого рода даже суховатость мидбаса, в общем экшен требуем от мидбасовой части. Тут эта группа просто хороша.
А вот с вопросом того как эта группа подаёт Вч диапазон не всё так однозначно. Дело в том что по тем же отзывам и обсуждениям на форуме в различных темах некоторым они в той или иной степени не нравятся, отдельным редким :) в категорической степени, т.е. очень не нравятся.
Звучание по Вч тем кому они пришлись не по "вкусу" характеризуют в той или иной степени резковатым, да, детальным, да чистым, но мол резковато и всё тут :). К слову сказать, в тех случаях когда тема мне была интересна и я вникал, то очень часто получалось что юзеры сами собирая/конфигурируя систему сами не зная нюансов косячили, а именно тыкали ВЧ которым изначально нужен/просто показан мягкий усилитель, и в этом случае получали логичное обострение/усугубление ситуации на ВЧ.
В общем и целом звучание этой группы я бы не обозначил мягким, но вот так уж, чтобы Вч резкие на столько, вплоть до уровня, что аж слушать низя ))), ни в коем случае :).
Итак как видим, усилители этой группы разные, от разных брендов, но вопросы к ним в общей массе в сути одни. Значит логично предполагать то, что причина этого общая. А откровенно общее во всех их, это схемотехника их каскадов УМ.
Вот и подошли :) к вопросу схемотехники этой же части усилителя Challenger ERGO II ER-90.4.
Как я чуть выше написал схемотехника каскадов УМ в Challenger ERGO II ER-90.4 абсолютно отлична от от этой рассмотренной группы.
В чём почти уникальность ))) Challenger ERGO II ER-90.4 по вопросу схемотехники УМ?
Она в том, что в Challenger ERGO II ER-90.4 применена классическая схемотехника симметричных УМ, но вот драйверная и выходная часть реализована на полевиках. Решение в сути конечно же не уникальное :), более того в интернете можно без труда найти информацию о подобных реализациях в усилителях "Ланзар-о" подобной схемотехники, а в ERGO II ER-90.4 именно это решение и эту схемотехнику мы и можем спроецировать, но в автомобильных усилителях, я уж ХЗ почему, но встречается в массовой своей доле крайне редко, я по крайней мере, как не пыжился, но так и не смог припомнить, где, в каком усилителе с подобным встречался.
Основная масса автомобильных усилителей и от высокородных брендов и от брендов так себе :), схемотехника каскадов УМ в своей сути как раз и есть "Ланзар-о" подобная и с выходными каскадами на биполярных транзисторах, т.е. в чистом виде классика жанра как говорится :).
Опять таки на форумах и нашем в том числе можно найти темы где обсуждаются подобные усилители и в том числе в контексте сравнения с усилителями той группы о которой я написал вначале этого поста. Кто хочет расширить свои знания может самостоятельно поискать подобное, почитать эти темы и сделать свой результирующий вывод по этому вопросу.
Я же от себя попробую в популярной форме изложить суть к которой в тех темах приходят обсуждая два жтих типа усилителей: - вот бы усилитель чтоб чтоб делал мидбас как, к примеру, Бостон GT, но по Вч мягенький и комфортный как РА. :) Как то вот так :).
Применяя в Challenger ERGO II ER-90.4 данную схемотехнику, т.е. "Ланзар-о" подобную, но делая драйверный каскад УМ и выходной каскад УМ на полевых транзисторах, т.е. пытаясь использовать особенности характеристик полевых транзисторов, производить и пытался реализовать то желаемое о про которое я написал.
И по тому, что я лично услышал от Challenger ERGO II ER-90.4, я думаю, что это ему в той или иной мере, совместить приятственные :) характерные черты двух основных групп автомобильных усилителей, т.е. компромиссно, но удалось.
То, что делает Challenger ERGO II ER-90.4 мне понравилось.
Мидбасовая часть хорошо контролируема, быстрая и напористая, не вальяжно жирнющая, т.е. именно то, что и нужно мидбасу в автомобильной аудио системе, и в то же время Вч от него чистые, детальные, не напрягающие и какой либо выдающейся резковатости я не услышал.
Вот как-то вот так по этому вопросу :).
25.01.2016, 17:51
nomemory
Re: Challenger ERGO II ER-90.4, кто он и что он......?
После прочтения съесть!
Помнится- во времена оны понадобилось состроить драйвер на базе УМЗЧ для ультрозвуковых излучателей, самой подходящей оказалась схема Зуева из 1984г, но именно появление сквозных токов было серьёзным препятствием.... Небольшая доработка расширила рабочую полосу с 80 до почти 300 кГц...
Нестандартные решения бывают чреваты сюрпризами... Зная особенности конструкции, проще схемотехнику на полевиках, ещё проще то, что их куда легче открыть, чем закрыть обратно, думаю - не мне одному будет интересно узнать мнение уважаемого автора о стабильности данного прибора, то есть работы его на сложную- индуктивную или емкостную- нагрузку. Помнится- в тестах АЗ оценивались такие особенности и все мы знаем как стабильные, так и весьма капризные примеры... Думаю , у дяди Федора найдется осциллограф и немного времени...
25.01.2016, 20:41
FFZ
Re: Challenger ERGO II ER-90.4, кто он и что он......?
Цитата:
Сообщение от nomemory
Нестандартные решения бывают чреваты сюрпризами...
Разве я где-то написал/сформулировал это нестандартным решением? :)
Да, написал, что это решение в автомобильных усилителях я до этого девайса не встречал, но я так же написал, что в не серийных/промышленных не автомобильных усилителях это решение не имеет ни какой уникальности, делалось, т.е. реализовалось и повторялось на практике многим, поэтому и в инете информации о подобном достаточно.
Цитата:
Сообщение от nomemory
Зная особенности конструкции, проще схемотехнику на полевиках, ещё проще то, что их куда легче открыть, чем закрыть обратно.....
Согласен, правильно управлять полевиками это важный вопрос, но уже в посту №17 вводная информация имеется, т.е. по сути и ответ на этот вопрос есть, для спеца там всё прозрачно.......
Тему читают много форумчан, большинству из них тонкости, нюансы, пируэты схемотехники в деталях как минимум вредны, поэтому считаю не нужным это делать и тратить на это своё время и силы на то, что читать и понимать будут единицы, а для остальных это лишняя и не нужная информация, являясь при этом попросту грузиловом процесса чтения.