Есть вот такое сенсорное стекло, только никакой дополнительной информации. Только известно, что резистивное. Это плохо? А какой там интерфейс, интересно?
Наверно еще нужен контроллер сенсорного стекла...
Имел счастие близко быть знакомым с такой штукой как Car4G... там экран резистивный - обплевался... сейчас просто бытовой планшет юзаю как навигатор (там емкостной) - без сбоев в любую погоду!
31.01.2014, 11:32
fox proteus
Re: BMW 5 (E60). Претендующий на качество.
Цитата:
Сообщение от MaikG3
Имел счастие близко быть знакомым с такой штукой как Car4G... там экран резистивный - обплевался... сейчас просто бытовой планшет юзаю как навигатор (там емкостной) - без сбоев в любую погоду!
А на альповских ИВАх дисплей резистивный. И ничего:) Очень зависит от реализации. Кстати, на лиллипутах тоже резистивные экранчики, тыкал в такой у Саши IntegratorX в машине. При больших экранных кнопках - вполне себе ничего, можно пользоваться. Для стандартного виндового интерфейса приходится ногти отращивать)))
03.05.2014, 23:50
WWWolf
Вложений: 1
Re: BMW 5 (E60). Претендующий на качество.
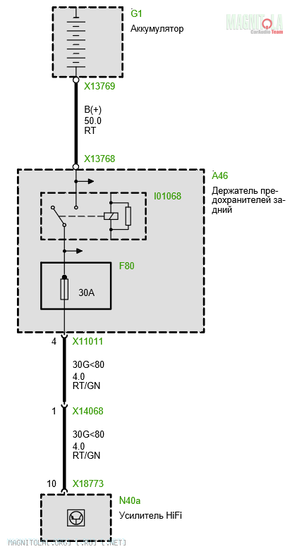
Ранее взятый cигнал активации аудиосистемы ("Remote") был выбран неправильно. После отключения зажигания сигнал оставался активным еще много времени. Новый кандидат на него - после предохранителя F80 (см. рис.). Затвра проверю его работоспособность. Вложение 569252
12.07.2014, 00:44
WWWolf
Вложений: 9
Re: BMW 5 (E60). Претендующий на качество.
Цитата:
Сообщение от WWWolf
Ранее взятый cигнал активации аудиосистемы ("Remote") был выбран неправильно. После отключения зажигания сигнал оставался активным еще много времени. Новый кандидат на него - после предохранителя F80 (см. рис.). Затвра проверю его работоспособность. Вложение 569252
Не прокатило. Сейчас сигнал взят из блока управления фарами, появляется при включении зажигания (положение II). Но я хочу получать этот сигнал при повороте ключа в положение I, планирую вывести его из подсветки дисплея.
Тем временем начал заниматься установкой ВЧ и СЧ динамиков. Кольца для ВЧ с резьбой внутри заказал у знакомого на заводе. Можно сделать их и самому, оклеив динамик полиэфирной или эпоксидной смолой со стеклотканью, затем вывернуть динамик из образовавшейся резьбы и аккуратно обточить. Но есть риск не очистить динамик от смолы.
Кольцо закрепил на штатной пластиковой обшивке вместо оригинальных ВЧ-динамиков. Важно было обеспечить подвижность динамика для последующего выбора направления при предварительной настройке на слух. В качестве крепления использована стальная строительная лента, которую я купил на рынке. Рекомендую именно такую, волнистую, как изображена на фото. Нашел ее не сразу, зато он более гибкая, чем обычная ровная.
Кольца для СЧ вырезал с помощью набора круговых фрез по дереву. Может это и не лучший способ, набор фрез стоит 500 р, пиление с помощью дрели проходит довольно долго, и воняет горелым деревом.
Под Енотов сильнее стойки режь. Сделай им фри эйр. Акустический экран на время верчения проще всего сделать из вибры.
Насмартфонил
14.07.2014, 09:28
WWWolf
Re: BMW 5 (E60). Претендующий на качество.
Цитата:
Сообщение от fox proteus
Под Енотов сильнее стойки режь. Сделай им фри эйр. Акустический экран на время верчения проще всего сделать из вибры.
Разрезать еще успею, что-то поленился я. Немаловажный вопрос в том, куда сзади они будут "дышать"? А вообще, ты их сегодня увидишь вместе с Женей (August Rush).
14.07.2014, 09:35
fox proteus
Re: BMW 5 (E60). Претендующий на качество.
Цитата:
Сообщение от WWWolf
Разрезать еще успею, что-то поленился я. Немаловажный вопрос в том, куда сзади они будут "дышать"?
А под стойки пускай дышат. Будет фри эйр. Только синтепоном сильно рспушённым нужно будет этот фри эйр набить.
Цитата:
Сообщение от WWWolf
А вообще, ты их сегодня увидишь вместе с Женей (August Rush).
Ага, я знаю, он предупредил:)
28.07.2014, 10:01
WWWolf
Вложений: 5
Re: BMW 5 (E60). Претендующий на качество.
Наконец-то я вывел изображение медиаплеера на штатный монитор BMW CIC. Вложение 613130
Работает связка HDMI-to-VGA адаптер -> Конвертер VGA-RGBs - > Видеоинтерфейс -> Штатный монитор CIC
Видеоинтерфейс:
Конвертер VGA-RGBs - это найденный "наебее" профессиональный конвертер из D-SUB (VGA) Extron RGB 192 за 3,5 тыр. Вот его описание. Сигналы на выходе: RGBHV, RGBS, RGsB. Выходные разъемы BNC.
Изображение пока сплюснутое, на плеере Minix пока стоит режим 720х576. Качество приемлемое (на фото просто не сфокусировалось). В режиме 720p качество изображения лучше, но обрезается снизу примерно на треть. Может кто подскажет, как выставить произвольное разрешение в Android? Надо 1280х480.
Штатный плеер "Музыка" в Minix X7 не понравился. Посоветуйте хороший плеер.
28.07.2014, 10:20
fox proteus
Re: BMW 5 (E60). Претендующий на качество.
Цитата:
Сообщение от WWWolf
Штатный плеер "Музыка" в Minix X7 не понравился. Посоветуйте хороший плеер.
Poweramp, Neutron
кратенькую инструкцию, как настроить первый я выкладывал в тесте альтернативных источников. Если что - подъедешь, покажу, куда тыкать, чтобы все улучшайзеры отключить. Кстати, ты не забыл, что оптику с Миникса лучше брать как раз из того твоего конвертера, который из HDMI VGA достаёт?:)